產品服務
一、概述
本裝置是依據JJG622-1997絕緣電阻表檢定規程、JJG1005-2005電子式絕緣電阻表檢定規程和JJG1072-2011直流高壓高值電阻器檢定規程等有關文件研制生產的。該儀器設計了獨立的泄漏屏蔽端鈕和接地端鈕。它不僅可用于檢定各種型號的進口和國產模擬式絕緣電阻表、數字式絕緣電阻表、絕緣電阻測試儀的標準,以及作為直流標準高值電阻器使用。具有較長的技術壽命和機械壽命。
測量范圍100Ω~200GΩ,調節細度100Ω。
檢定裝置中電壓測量部分的標稱測量電壓為5kV DC,輸入阻抗≥10GΩ。本裝置能測量絕緣電阻表的開路電壓、中值電壓和峰值電壓。
二、主要技術參數
1.電阻輸出(高壓高阻箱)部分
1.1 電阻輸出部分的準確度等級及工作電壓(電流)
阻值Ω | 100G | ×10G | ×1G | ×100M | ×10M | ×1M | ×100k | ×10k | ×1k | ×100 |
準確度等級 | 5 | 5 | 2 | 1 | 0.5 | 0.2 | 0.2 | 0.2 | 0.2 | 0.2 |
標稱電壓電流 | 5kV | 5kV | 5kV | 5kV | 2.5kV | 1kV | 1mA | 5mA | 10mA | 10mA |
1.2 調節范圍: (0~200G)Ω,調節細度為100Ω
1.3 使用環境條件
(1)參 考 溫 度 范圍:17℃~23℃
(2)標稱使用溫度范圍: 15℃~25℃
(3)參 考 濕 度 范圍:30%~60%
(4)標稱使用濕度范圍:25%~75%
1.4 絕緣電阻:
檢定裝置中電阻輸出部分的電路與電路無電氣連接的任何其它外部金屬間的絕緣電阻,在標稱電壓下測得的電阻值不小于1GΩ。
1.5 絕緣強度:
檢定裝置中電阻輸出部分的電路與測試用參考接地點之間,應能承受頻率為45~65Hz的實際正弦交流電壓6.75kV并歷時1min的試驗,而不出現擊穿與飛弧現象。
1.6 檢定裝置中電阻輸出部分輸出端的殘余電阻應<1Ω,其變差<0.1Ω。
1.7 外形尺寸: 442mm×270mm×145mm
1.7 重 量: <5kg
2. 電壓測量(高壓直流數字電壓表)部分
2.1 測量范圍: 0~5500VDC
2.2 準 確 度: ±(1%讀數±0.2滿量程)
2.3 供電電源: DC9V
2.4 輸入電阻: ≥10GΩ
2.5 顯 示: 四位半、液晶顯示
2.6峰值電壓測量回路滿足JJG622-1997絕緣電阻表檢定規程中圖3的要求。
三、原理與結構
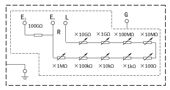
1.電阻輸出(高壓高阻箱)部分
1.1電阻輸出部分由九個十進制電阻盤和一只固定電阻組成,原理線路見下圖:

1.2電阻輸出部分的開關是選用獲專利的高壓開關,是特制的高強度絕緣材料制成的密封型輕壓力開關,絕緣電阻高,接觸電阻小,使用壽命長,免于清洗。開關的動作過程為先通后斷,在測量過程中不會開路,完全滿足JJG622-1997絕緣電阻表檢定規程第15.1.6條的要求。
1.3具有獨立的泄露屏蔽端鈕和接地端鈕。
1.4電阻選用特制的高穩定性電阻元件,其溫度系數小,電壓系數小,年變化小,從而保證了高壓高阻箱的穩定性和準確度。
2.電壓測量(高壓直流數字電壓表)部分
2.1 電壓測量部分集高壓直流數字電壓表與峰值電壓測量回路于一體。原理線路見下圖:

2.2 高壓直流數字電壓表采用高輸入阻抗的4 1 2 位表。高壓分壓器輸入電阻≥10GΩ,具有較小的電壓系數,線性好。
四、使用說明
1.電阻輸出(高壓高阻箱)部分
電阻輸出部分與被測表之間,必須采用隨機配置的帶燈籠插頭的高壓專用測試線連接!
送檢時,提醒檢定機構,在檢定時必須使用本裝置專用測試線!
測試前,請先行旋轉電阻盤開關,以確保其接觸良好。
1.1電阻輸出部分與被檢儀表連接后,根據被檢儀表類別選擇開關位置。
由于高阻箱檢定對儀器內部濕度要求高,建議在冬、春季檢定。接線見下圖:

圖 3電阻測量接線圖
1.2 將電阻輸出部分的電阻值按被測表待檢定的刻度線所對應的電阻值預置,首先檢查預置電阻的準確度是否滿足要求,同時還應注意預置電阻的標稱電壓大小。
預置時盡可能使用低阻值電阻盤,因其準確度高,標稱工作電壓高,調節方便。一般只使用其中的兩個或三個電阻盤。例如:
預置2MΩ,在電阻輸出部分上應示出1.9(10) MΩ[式中的(10)表示×10kΩ盤示出10],而非2.00MΩ。這樣可以方便調節被檢表出現的正、負誤差,如1.99MΩ,2.01MΩ。
又如,預置100kΩ,在電阻輸出部分上應示出99.(10)kΩ,即(9×10kΩ+9×1kΩ+10×100Ω),而不示出1×100kΩ。
1.3檢定裝置應工作在參考范圍才能保證準確度,超過參考范圍時要附加誤差。當相對濕度較大時,測量高值電阻,如5×10GΩ時,因為機箱內濕度偏高,電阻值會偏小。
1.4固定電阻100 GΩ是供擴大測量范圍之用。被檢示值>100 GΩ時,應將100 GΩ與R串聯使用,即L E2兩端。

2.電壓輸入(高壓直流數字電壓表)部分
2.1 使用前請閱讀本說明書,嚴禁帶電接線。
2.2 使用隨機所帶專用導線接線,注意被測量端極性。
2.3 測量直流高電壓或絕緣電阻表的開路電壓時,按圖4接線。
2.4 測量絕緣電阻表的中值電壓時,按圖5接線。
2.5 測量絕緣電阻表的峰值電壓時,按圖6接線。
2.6 供電電源采用DC9V電源,設置在箱體底部。
2.7 測量完畢,數表可能仍有電壓顯示,其數值在逐漸減小,屬于正常現象。如將輸入端短路,儀表即顯示“0000”。
2.8 供電電壓不足時,請更換9V電池。
☆ 用戶在遵守說明書規定的使用和保存的條件下,從發貨之日起12個月內,儀器的主要技術指標達不到說明書中的標準的,可免費為用戶維修或更換。
五、成套性
1. 絕緣電阻表檢定裝置一臺。
2. 測試線一組。
3. 使用說明書一份。
4. 專用包裝箱一個。


在線咨詢
微信溝通